Продукция




Тельфер электрический серии Yale CPE


cpe1_b.jpgГрузоподъемность 1600 - 10000 кг.

Механизмы конструктивной серии СPE являются высококачественными изделиями для профессионального использования. Они впечатляют производительностью и долговечностью. Чёткое разделение конструктивных элементов (трёхузловая конструкция) обеспечивает простое и недорогое обслуживание.

особенности

Модификации по скорости

Модель

Модификации по вариантам крантележки

CPE(F)

Оптимальная конструкция редуктора

Планетарный редуктор, работающий в масляной ванне, отличается особой плавностью хода и обеспечивает незначительную конструктивную высоту (см. размер А в

Контакторное управление

Контакторное управление 42В в стандартном исполнении.

Безопасность

Фрикционная муфта против перегрузки.

Плавный ход цепи

Звёздочка грузовой цепи с 5-ю гнёздами с прецизионно выполненными карманами под звенья гарантирует плавный ход грузовой цепи.

Надежная цепь

Оцинкованная высокопрочная круглозвённая цепь.

Надежная тормозная система

Асинхронный двигатель оборудован пружинным электромагнитным тормозом с возможностью настройки, надёжно удерживающим груз даже при аварийном прерывании электропитания.

Повышенная продолжительность работы

Двигатель рассчитан на длительную продолжительность включения.

Защита двигателя

Модели этой серии оснащены предохранителем перегрева двигателя посредством биметаллического датчика. Двигатель с защитой IP 54, класс нагревостойкости изоляции F

Рабочее напряжение

Стандартное рабочее напряжение 380В, 50 Гц, 3 фазы.

Минимальный шум при работе

Очень плавный, почти бесшумный ход тали.

Цепь и крюк

Цепь и/или крюк из

Контейнер цепи

Прямое безрелейное управление

Прочие виды рабочего напряжения на заказ

Исполнение на крантележке с малой конструктивной высотой

Концевые выключатели тали и/или крантележки


Технические характеристики
МодельНомер EAN 4025092*Грузо - подъем - ность (кг)Кол-во ветвей цепиРазмеры цепи (мм)Клас - сификация (FEM/ISO)Основная скорость подъема (м/мин)Вторая скорость подъема (м/мин)Двигатель (кВт)Коэф. занятости (ED%)Вес* со скобой для подвески (кг)Вес* с кран - тележкой без привода (кг)Вес* с приводной кран - тележкой (кг)Вес* с электрической кран - тележкой (кг)
CPE 16-8 *073240 1600 1 11x31 1Am/M4 8 - 2.3 40 88 150 154 164
CPEF 16-8 *073257 1600 1 11x31 1Am/M4 8 2 2.3/0.58 40/20 93 155 159 169
CPE 20-8 *073264 2000 1 11x31 1Bm/M3 8 - 2.8 25 88 150 154 164
CPEF 20-8 *073271 2000 1 11x31 1Bm/M3 8 2 2.8/0.7 25/15 93 155 159 169
CPE 25-5 *073288 2500 1 11x31 1Am/M4 5 - 2.3 40 88 150 154 164
CPEF 25-5 *073295 2500 1 11x31 1Am/M4 5 1.25 2.3/0.58 40/20 93 155 159 169
CPE 30-5 *073301 3000 1 11x31 1Bm/M3 5 - 2.8 25 88 150 154 164
CPEF 30-5 *073318 3000 1 11x31 1Bm/M3 5 1.25 2.8/0.7 25/15 93 155 159 169
CPE 32-4 *073325 3200 2 11x31 1Am/M4 4 - 2.3 40 107 169 173 182
CPEF 32-4 *073332 3200 2 11x31 1Am/M4 4 1 2.3/0.58 40/20 112 174 178 187
CPE 40-4 *073349 4000 2 11x31 1Bm/M3 4 - 2.8 25 107 169 173 182
CPEF 40-4 *073356 4000 2 11x31 1Bm/M3 4 1 2.8/0.7 25/15 112 174 178 187
CPE 50-2 *073363 5000 2 11x31 1Am/M4 2.5 - 2.3 40 107 169 173 182
CPEF 50-2 *073370 5000 2 11x31 1Am/M4 2.5 0.6 2.3/0.58 40/20 112 174 178 187
CPE 75-1.6 *079907 7500 3 11x31 1Am/M4 1.6 - 2.8 40 - - - -
CPEF 75-1.6 *079914 7500 3 11x31 1Am/M4 1.6 0.4 2.8/0.58 40/20 - - - -
CPE 100-2 *060585 10000 4 11x31 1Am/M4 2.5 - 2x2.3 40 282 - 385 406
CPEF 100-2 *060592 10000 4 11x31 1Am/M4 2.5 0.6 2x2.3/0.58 40/20 287 - 390 411

*Вес при стандартной высоте подъема (3м). Другие высоты доступны на заказ.

Параметры тележек


Грузо - подъемность (кг)ТипоразмерШирина полки балки b (мм)Толщина полки балки t max (мм)Радиус дуги мин.(м)Скорость перемещения электро- крантележки при 50HzМощность двигателя электро- крантележки при 50Hz (кВт)
1600-5000 A 98-180 27 2.0 11 или 11/2.8 0.37 или 0.3/0.09
1600-5000 B 180-300 27 1.8 11 или 11/2.8 0.37 или 0.3/0.09
7500-10000 B 125-310 40 1.8 5 или 5/1.25 0.55 или 0.55/0.12


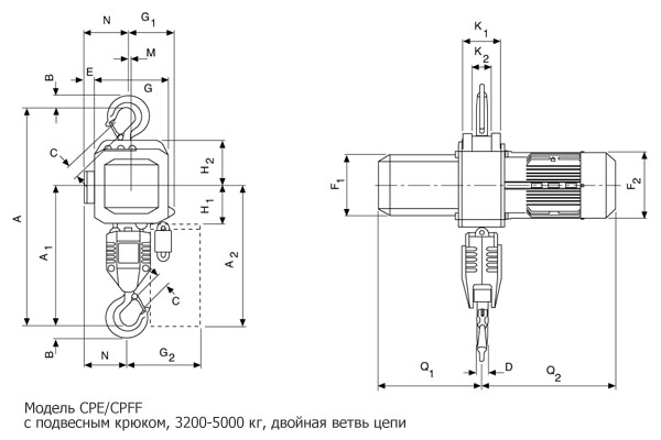
размеры
Модель CPE/CPEF 16-8 CPE/CPEF 20-8 CPE/CPEF 25-5 CPE/CPEF 30-5 CPE/CPEF 32-4 CPE/CPEF 40-4 CPE/CPEF 50-2 CPE/CPEF 75-1.6 CPE/CPEF 100-2
A,мм 516 516 516 516 681 681 681 950 1068
A1,мм 286 286 286 286 428 428 428 479 651
A2(13м),мм 430 430 430 430 430 430 430 - -
A2(21м),мм 530 530 530 530 530 530 530 530 555
B,мм 35 35 35 35 45 45 45 60 60
C,мм 37 37 37 37 46 46 46 52 52
D,мм 24 24 24 24 30 30 30 40/45 40/45
E,мм 24 24 24 24 24 24 24 - -
F1,мм 160 160 160 160 160 160 160 160 160
F2,мм 178 178 178 178 178 178 178 178 178
G,мм 220 220 220 220 220 220 220 220 -
G1,мм 180 180 180 180 140 140 140 268 315
G2(13м),мм 257 257 257 257 218 218 218 - -
G2(21м),мм 277 277 277 277 238 238 238 345 408
H1,мм 110 110 110 110 110 110 110 110 135
H2,мм 135 135 135 135 135 135 135 307 256
K1,мм 100 100 100 100 100 100 100 92 92
K2,мм 51 51 51 51 51 51 51 62 62
M,мм 50 50 50 50 10 10 10 138 -
N,мм 84 84 84 84 124 124 124 136 390
Q1,мм 280 280 280 280 280 280 280 280 280
Q2(CPE),мм 362 362 362 362 362 362 362 362 362
Q2(CPEF),мм 417 417 417 417 417 417 417 417 417
cpe-dims-1600-3000.jpg
cpe-dims-3200-5000.jpg
cpe-dims-75-16.jpg
cpe-dims-100-2.jpg
Модель CPE/CPEF 16-8 CPE/CPEF 20-8 CPE/CPEF 25-5 CPE/CPEF 30-5 CPE/CPEF 32-4 CPE/CPEF 40-4 CPE/CPEF 50-2 CPE/CPEF 75-1.6 CPE/CPEF 100-2
A3,мм 121 121 121 121 121 121 121 - 110
A4,мм 465 465 465 465 615 615 615 855 965
A5,мм 298 298 298 298 298 298 298 477 450
A6,мм 178 178 178 178 178 178 178 - 170
b,мм A=98-180/
B=180-300
A=98-180/
B=180-300
A=98-180/
B=180-300
A=98-180/
B=180-300
A=98-180/
B=180-300
A=98-180/
B=180-300
A=98-180/
B=180-300
125-310 125-310
F,мм 150 150 150 150 150 150 150 113 113
I,мм 142.5 142.5 142.5 142.5 142.5 142.5 142.5 170 170
L1,мм 209 209 209 209 209 209 209 200 200
L2,мм 262.5 262.5 262.5 262.5 262.5 262.5 262.5 215 215
L3(VTE),мм 292 292 292 292 292 292 292 - 335
L3(VTEF),мм 296 296 296 296 296 296 296 - 335
L4,мм 213 213 213 213 253 253 253 215 390
L5,мм 312 312 312 312 272 272 272 215 215
L6(VTE),мм 342 342 342 342 342 342 342 - -
L6(VTEF),мм 346 346 346 346 306 306 306 - -
O,мм 125 125 125 125 125 125 125 150 150
P(VTE),мм 197 197 197 197 197 197 197 - 273
P(VTEF),мм 205 205 205 205 205 205 205 - 280
P1,мм 229 229 229 229 229 229 229 - 110
S,мм b+70 b+70 b+70 b+70 b+70 b+70 b+70 b+98 b+98
T,мм 94 94 94 94 94 94 94 - 94
tmax,мм 27 27 27 27 27 27 27 40 40
cpe-dims-pushed-geared-trolley.jpg
cpe-dims-electric-trolley.jpg
cpe-dims-pushed-geared-trolley-7500.jpg
cpe-dims-electric-trolley-10000.jpg


Cопутствующие товары

Похожие товары


ULTRATHERM.jpg



term_rez.jpg

Алмазное бурение бетона





ASEA WELDING (Ю. Корея), BDS MASCHINEN (Германия), CAM SPRAY (США), CARDI (Италия), CEDIMA (Германия), CEVISA (Испания), Comet (Италия), CUES (США), DINAJET (Германия), DOHLE (Германия), DR. BENDER (Германия), Durma (Турция), DWT Babcock (Германия), EIBENSTOCK (Германия), ELECTRIC EEL (США), ERMAKSAN (Турция), EUROBOOR (Нидерланды), EVOLUTION GROUP (Великобритания), EXACT TOOLS OY (Финляндия), Facot Chemicals (Италия), FEIN (Германия), FEMI, FOOTAGE TOOLS (Канада), G.DREXL (Германия), GENERAL INDUSTRIAL (США), GERAT (Германия), GOODWAY (США), GRIT (Германия), GSC (Тайвань), HELVI (Италия), HERZ (Германия), HI-FORCE (Великобритания), Hitronic (Китай), HONGLI (Китай), HURNER (Германия), HUSQVARNA (Швеция), HYDROPATH (Великобритания), Hypertherm (США), IBIX (Италия), Jouanel (Франция), KAIYUAN (Китай), KARNASCH (Германия), KERN (Германия), Ketter (Польша), KOIKE (Япония), KRANZLE (Германия), KROLL (Германия), LAVAL UNDERGROUND SURVEYS (США), LEISTER (Швейцария), MACC (Италия), MAGNABEND (Австралия), MAGTRON (Великобритания), Mazanek (Польша), MetalMaster (Европа и ЮВА), NORBAR (Великобритания), O.M.I.S.A (Италия), OMCA (Италия), Pfaff-silberblau (Германия), PIPAL® Chemicals (Италия), PROFARC (Китай), PROMOTECH (Польша), PWT (Китай), REED (США), REMS (Германия), REX (Япония), RIDGID (США), Ritmo (Италия), ROBUPLAST (Турция), ROTHENBERGER (Германия), RUKO (Германия), Sahinler (Турция), SAV (Германия), SCHECHTL (Германия), SPARTAN (США), SPICOM (Россия), STALEX (Польша), StrongHandTools (США), Tapco (США), TECHNOMAGNETE (Италия), US JETTING (С.Ш.А.), VAN MARK (США), VETTER (Германия), VHT (Бельгия), VIRAX (Франция), VOLL (Беларусь), WEKA (Германия), WELPING (Китай), WOPSON (Гонконг), Yale (Германия), Yawei (Япония-Германия), ZINSER Schweisstechnik (Германия), ВЕКТОР (Беларусь), Витязь (Россия), НИТЛ (Россия), СИБИРЬ (Россия), СПИКОМЭНЕРГО (Россия)




svarka_plas-1.jpg